持續創新,共創共享
▋廣西容縣中桂農實業有限公司臭氣處理 項目名稱/Project
廣西容縣中桂農實業有限公司年屠宰100萬頭生豬項目65000m3/d臭氣處理項目。
▋廣西容縣中桂農實業有限公司臭氣處理 工程概況/Project Overview
本工程主要對生豬待宰圈、生豬屠宰車間、污水站產生的惡臭氣體進行綜合治理。以上區域的臭氣主要成分為硫化氫、氨氣等,這些臭氣對廠區的空氣質量及室外自然環境有一定的影響。故委托我公司針對上述臭氣設計治理方案,根據該公司提供的有關資料,經過現場仔細勘察、認真研究,結合我公司以往的治理技術經驗,根據業主要求,臭氣處理后滿足《惡臭污染物排放標準》(GB14554-93)中對惡臭污染物的排放標準,從而改善公司現場環境。
▋廣西容縣中桂農實業有限公司臭氣處理 工程建設內容/Project Construction Content
(1)生豬待宰圈、生豬屠宰車間共用一套除臭系統。利用負壓收集管路將生豬待宰圈、紅臟處理間、白臟處理間、頭蹄尾處理間、放血燎毛區、集血間、豬毛暫存間、胃容物暫存間的臭氣進行收集,輸送至除臭處理系統中,處理風量為60000m3/d。
(2)污水處理站臭氣收集區域有:格柵渠、集水池、事故池、污泥池、調節池、落泥間、污泥脫水間、氣浮機。除臭風量為5000m3/d。除臭工藝為一體化臥式洗滌除臭裝置+15m高空排放除臭工藝。
▋廣西容縣中桂農實業有限公司臭氣處理 編制原則/Principles Of Organization
(1) 遵照國家對環境保護制定的有關規范、標準及規定。
(2) 采用先進技術、高效節能、效果穩定的處理工藝,確保廢氣處理達標排放和滿足長期使用。
(3) 妥善處理廢氣處理過程中產生的廢物,避免造成二次污染。
(4) 選擇高效節能、運行可靠、管理方便、維修簡便的處理設備。
(5) 合理布置設備,減少工程投資,工藝能靈活運行,降低日常處理費用。
(6) 實現自動化管理,做到技術先進、經濟合理、運行可靠、操作方便。
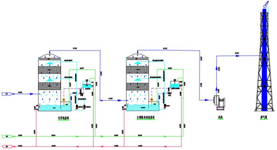
▋廣西容縣中桂農實業有限公司臭氣處理 除臭工藝流程/Deodorization process flow

生豬待宰圈、生豬屠宰車間除臭系統工藝流程圖
惡臭氣體在后端風機的抽吸作用下首先進入逆流式酸性化學洗滌塔,在酸性化學洗滌塔中通過酸堿中和、水洗作用去除臭氣中的部分堿性物質、易溶于水的物質、灰塵;臭氣進過一級洗滌后再進入生物除臭塔,生物除臭塔噴灑介質為生物除臭劑,利用微生物實現臭氣的凈化,處理后的臭氣經過15米排氣筒達標排放。

污水站除臭系統工藝流程圖
一體化臥式洗滌除臭裝置主要分為兩部分:化學洗滌段和生物洗滌段;惡臭氣體在后端風機的抽吸作用下,首先進入化學洗滌段,化學洗滌段內噴灑的氫氧化鈉溶液,通過酸堿中和、水洗作用去除廢氣中的部分酸性惡臭組分、易溶于水的物質和灰塵;臭氣經過一級洗滌后再進入生物洗滌段,生物洗滌段噴灑介質為生物除臭劑,利用微生物實現臭氣的凈化,處理后的臭氣經過15m排氣筒達標排放。
經典案例
LvFeng HuanBao
河南綠豐環保已經為100+企業解決水治理難題 / 按照國家排放標準 / 持續穩定達標運行



掃二維碼 微信關注
詳細咨詢
聯系綠豐環保
12年專注食品工業水治理一站式服務
在這里統統幫您解決!
地址:河南省新鄉市國家863新鄉科技產業園T12
15343739724